Yuken Hydraulic Piston Pumps A145-Fr01HS-60 with Best PriceZuosen Hydraulic is one of the world's leading manufacturers and suppliers of professional piston pumps,vane pumps,gear pumps and accessories. The Factory located at Chinese leading manufacturing centre-Dongguan city,humen town.ZUOSEN ow......
Yuken Hydraulic Piston Pumps A145-Fr01HS-60 with Best Price






Zuosen Hydraulic is one of the world's leading manufacturers and suppliers of professional piston pumps,vane pumps,gear pumps and accessories. The Factory located at Chinese leading manufacturing centre-Dongguan city,humen town.
ZUOSEN owned advanced and precision machines and equipment, like Emag gear hobbing machine, Mitsubishi gear hobbing machine, Liebherr gear shaping machine, Horizontal machining centre DMG MORI, CNC grinding machine, NC honing machine, CNC lathe etc.
Zuosen also owned the precision measuring equipment, like three coordinates measuring instrument, Gear measuring center, Rockwell hardness tester, the noise test room, Pressure &Flow & Temperature test platform,Surface Roughness & Dynamic Balance Tester leakage detecting tools etc.
Since our foundation, we have been committed to creating maximum long-term value to customers worldwide by providing quality-assured, easy-to-use, cost-effective and innovative products. To deliver this value to our customers, we make every effort to understand our end-users' needs and translate those needs into superior products by maximizing our research and development and manufacturing capabilities. Our team is made up of the most distinguished experts and engineers with years of experience in this industry. We have been investing a minimum of 30% of our annual revenue into new product development. All our products are manufactured with the strictest standards to meet international quality and environment standards.
To protect your rights please read the following carefully
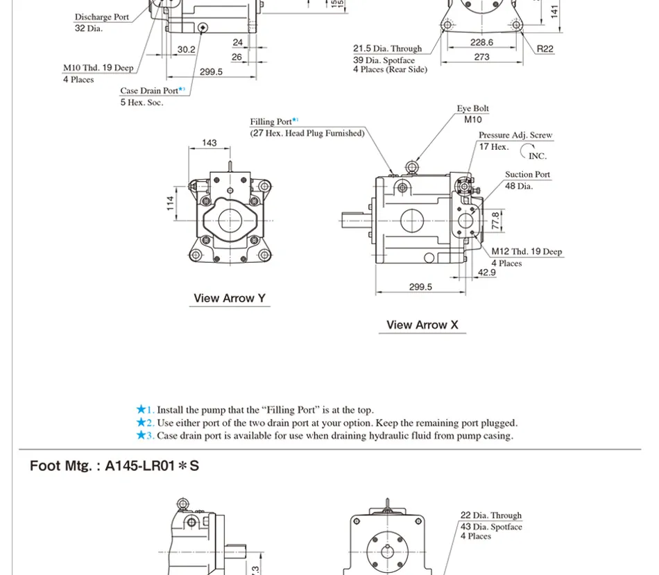
Bleeding air
It may be necessary to bleed air from pump case and outlet line to remove causes of vibration. An air bleed valve is recommended for this purpose.
Starting
Before first staring, fill pump case with clean operating oil via the filling port. In order to avoid air blockage when first starting, adjust the control valves so that the discharged oil from the pump is returned direct to the reservoir or the actuator moves in a free load.
Setting Discharge Pressure and Delivery
At the time of shipment, the unit has been preset to maximum delivery and minimum discharge pressure.
Adjust the preset delivery and pressure to meet your system requirements.
Adjustment of Discharge Pressure
Turning the adjustment screw clockwise, increases pressure.
FAQ
Q: Are you trading company or manufactory?
Re: We are manufactory.
Q: How long is the Warranty?
Re: One-year warranty.
Q: What is your payment terms?
Re: 100% in advance, long-term dealer 30% in advance, 70% beofre shipping.
Q: How about the delivery time?
Re: Normal Models within 2 days, unusal models and bulk order within 5-10 days.
Piston Pump Eaton Hydraulic Pump Used for Concrete Mixer Truck for Sale
A10vo45dfr1-31r Psc 62n00 -S1581 Rexroth Replacement Hydraulic Piston Pump Parts
Axial Piston Hydraulic Pump Replacement of Rexroth (A10V0140 DFLR/31L)
Replacement Rexroth Hydraulic Pump Parts for ED72 Valve
Replacement Hydraulic Motor Parts for Cat 322c, 324D, 325c, 325D, 328d , 330c, 330d, 345c, 345D Swing Motor
High Speed Piston Pump A2f5 Small Displacement 5CCA2f5/6.0rb7