Papermaking additive high viscosity small gear metering pump A.[Product Description] The design utilizes high standard external spur gears enclosed within a close tolerance housing assembly. This provides you the precise volume of fluid dispensed per shaft revolution. The housing is constructed fr......

The design utilizes high standard external spur gears enclosed within a close tolerance housing assembly. This provides you the precise volume of fluid dispensed per shaft revolution. The housing is constructed from precision ground and lapped three-plate assembly. This assembly is aligned with dowels to allow close control of operating clearances. This construction method in combination with several proprietary internal features is what ensures precise, pulseless, and reliable flow under varying process conditions. When CIXI Instrument pumps are coupled with a pre-packaged, integrated, closed-loop speed control and a compact motor driver assembly (AC or DC), CIXI Instrument is able to provide the most precise and flexible metering gear pump system on the market. 
| Model | Displacement (CC/R) | Total Height | Base Height | Min Inlet Pressure | Max Output Pressure | Accuracy | Temperature |
| GWMP-0.15 | 0.15 | 83 | 28.1 | <0.2Mpa | <30Mpa | +/-3% | 200ºC |
GWMP-0.3 | 0.3 | 85 | 30.2 | <0.2Mpa | <30Mpa | +/-3% | 200ºC |
| GWMP-0.6 | 0.6 | 85 | 32 | <0.2Mpa | <30Mpa | +/-3% | 200ºC |
| GWMP-1.2 | 1.2 | 90 | 34 | <0.2Mpa | <30Mpa | +/-3% | 200ºC |
| GWMP-2.4 | 2.4 | 100 | 42 | <0.2Mpa | <30Mpa | +/-3% | 200ºC |
| GWMP-3.6 | 3.6 | 105 | 50 | <0.2Mpa | <30Mpa | +/-3% | 200ºC |
| GWMP-6 | 6 | 130 | 41 | <0.2Mpa | <30Mpa | +/-3% | 200ºC |
| GWMP-9 | 9 | 135 | 46 | <0.2Mpa | <30Mpa | +/-3% | 200ºC |
| GWMP-12 | 12 | 140 | 51 | <0.2Mpa | <30Mpa | +/-3% | 200ºC |
| GWMP-15 | 15 | 145 | 56 | <0.2Mpa | <30Mpa | +/-3% | 200ºC |
| GWMP-20 | 20 | 150 | 64 | <0.2Mpa | <30Mpa | +/-3% | 200ºC |
| GWMP-30 | 30 | 165 | 80 | <0.2Mpa | <30Mpa | +/-3% | 200ºC |
| GWMP-40 | 40 | 90 | 215 | <0.2Mpa | <30Mpa | +/-3% | 200ºC |
| GWMP-50 | 50 | 97 | 215 | <0.2Mpa | <30Mpa | +/-3% | 200ºC |
| GWMP-60 | 60 | 104.5 | 230 | <0.2Mpa | <30Mpa | +/-3% | 200ºC |
| GWMP-75 | 75 | 112 | 230 | <0.2Mpa | <30Mpa | +/-3% | 200ºC |
| GWMP-80 | 80 | Customized | Customized | <0.2Mpa | <30Mpa | +/-3% | 200ºC |
| GWMP-125 | 125 | Customized | Customized | <0.2Mpa | <30Mpa | +/-3% | 200ºC |
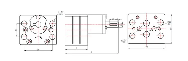
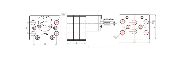
Note: Direction of rotation: clockwise from the axis of rotation 
| Model | 6CC | 9CC | 12CC | 15CC | 20CC | 25CC | 30CC |
| A | 130 | 135 | 140 | 145 | 150 | 158 | 165 |
| B | 41 | 46 | 51 | 56 | 64 | 72 | 80 |
| Min Inlet Pressure | <0.2Mpa |
| Working Speed | 5~200 R/min |
| Medium | Fluid |
| Temperature | 200ºC |
| Max Outlet Pressure | <30Mpa |
| Flow Capacity | 6-30(+/-30)CC/R |
| Sealing | Combined seal |

| Model | 0.15CC | 0.3CC | 0.6CC | 1.2CC | 2.4CC | 3.2CC | 3.6CC |
| A | 83 | 85 | 85 | 90 | 100 | 103 | 105 |
| B | 28.1 | 30.2 | 32 | 34 | 42 | 47.6 | 50 |
| Min Inlet Pressure | <0.2Mpa |
| Working Speed | 5~200 R/min |
| Medium | Fluid |
| Temperature | 200ºC |
| Max Outlet Pressure | <30Mpa |
| Flow Capacity | 0.15-3.6(+/-3%)cc/r |
| Sealing | Combined |
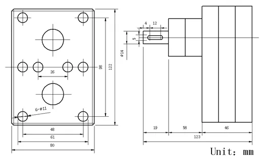
C.[Installation]

D.[Company Info]

SUS304 Sanitary Stainless Steel Food Grade Honey Rotary Lobe Pump Chocolate Pump Transfer Pump
Ace Price Food Grade Stainless Steel Rotor Pump Syrup Shampoo Chocolate Honey Food High Viscosity Liquid Material Transfer Rotary Pump Sanitary Mobile Lobe Pump
304 Rotary Lobe Pump for Toothpaste
Melt Pump for Reaction Kettle
Hydraulic Gear Pump Assy for Komasu PC30-1 Comparable to Komasu Pn 705-52-10070
Hydraulic Gear Pump Assy for Komasu PC25-1/PC38uu-2 Comparable to Komasu Pn 705-41-08080