Air Operated PVDF Diaphragm Reciprocating Pump for Chemical Industry
IntroductionQBK series air operated diaphragm pump is driven by air, it is a kind of positive displacement pump which volume changes caused by compressing diaphragms in both side. Our pump has the same performance of GRACO/HUSKEY pump's, so all internal accessories can be replaced of it. This diaphragm pump is widely used for submersible pump in chemical industry, because of it is safe without power supply.
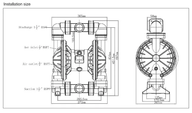
Technical Paraneters | Model | QBK-40 |
| Inlet/outlet Dia. | mm | 40 |
| inch | 1 1/2 |
| Max. Flow | m3/h | 21.48 |
| L/min | 358 |
| Head | m | 0-84 |
| Max.Suction stroke | m | 8 |
| Max. Particle Dia. | mm | 5 |
| Max. Air Supply Pressure | kg/cm2 | 8.4 |
| Max. Air Consumption | m3/min | 2.24 |
Features1.The air operated diaphragm pump has the function of self-priming without rotation parts, it can achieve dry priming and wet priming, which self-priming height is 5m and 8m respectively.
2.With sectional type structure, this self-priming pump can be used for conveying two different liquid by double diaphragm.
3.Our pump can be used directly as a submersible pump, it used air as the power source, and does not have the leakage and other security risks. This diaphragm pump has lower cost than submersible pump which is caused by the maintenance of motor.
4.The pump body of our water pump can be made by PVDF, PP, The diaphragm can be made by teflon, rubble, wear resistant rubber, and so on.Application1.Chemical industry: various kinds of emulsion, stuffing, rubber slurry, abrasive material, corrosive. Petroleum, mud, toxic, inflammable and explosive liquid, and highly acidic, basic and corrosive medium.
2.Marine industry: sewage cleaning on oil tank and barge, and the transportation of high temperature liquid. The maximum liquid temperature can be 150ºC.
3.Ceramic industry: various kind of glaze slip for tile, porcelain, brick and pottery.
4.Environmental protection and wastewater treatment industry: this QBK air operated diaphragm pump can be matched with plate-and-frame filler press for sewage treatment.
Our Service1. Delivery: Delivery time will be on time as the contract. Usually, our company need 25 working days for diesel engine pump, and for bare shaft pump, it takes 15 working days,
2. Warranty: 12 month for the pump body, 3 month for the main working parts.
3. Package: We use plywood case to pack our pump, which is durable for ocean transport.
4. On-sales Service: we will clear show you everything in fact when you place an order with us. We will take photos or videos to show you our production situation, and report the production situation to you.
5. Quality: we will test our pump before delivery, and we will follow up the pump working conditions per three months when the pump put into use. If you need spare parts, we can send to you in 1 or 2 weeks.Customer Feedback
Our Factory
Welcome to visit our factory!